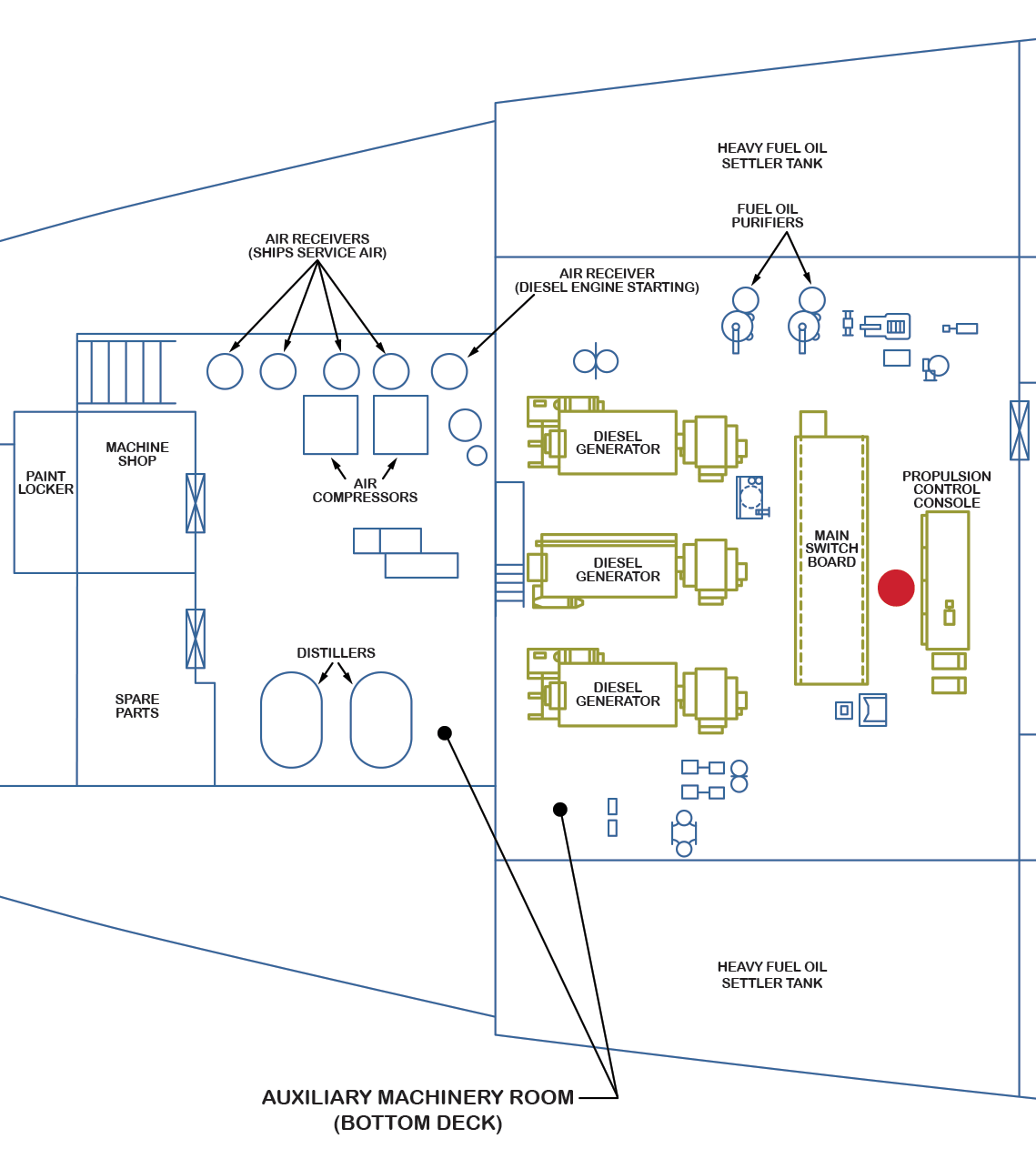
Control area, forward end of the auxiliary machinery space (starboard side).
Please enable Javascript!