Loading...

GTS Admiral W.M. Callaghan

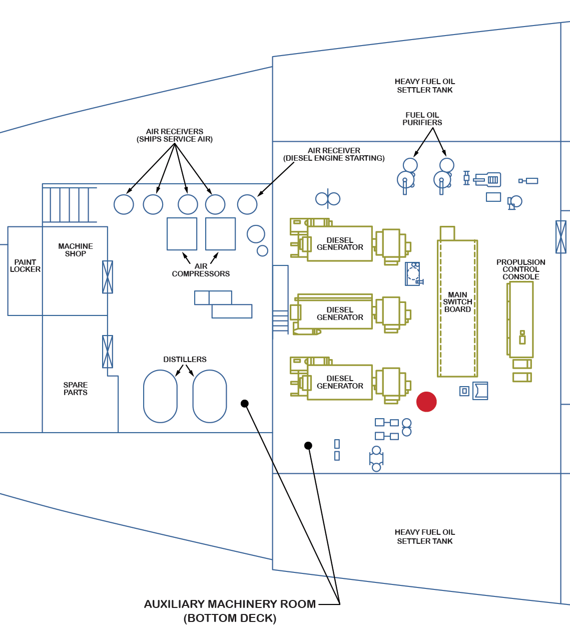
Starboard side of the center section of the auxiliary machinery space. Initial view (looking starboard) is the main fuel pump, and behind the fuel pump, the inboard side of the starboard day tank.

Click for location map.