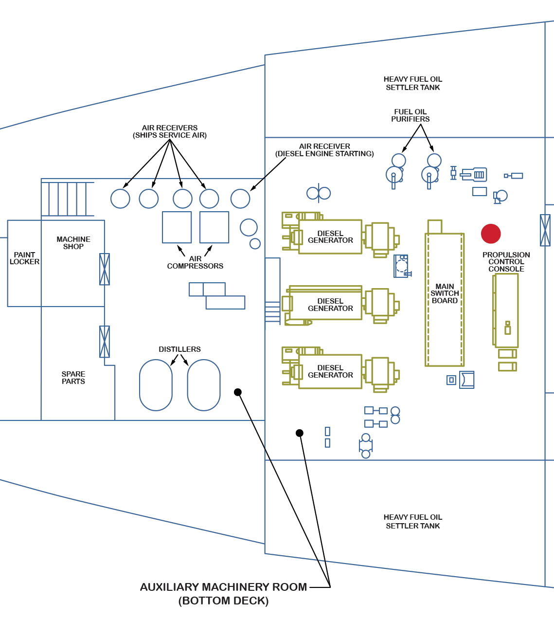
Control area, forward end of the auxiliary machinery space (port side). Panning left is the doorway that leads to the aft end of the engine room.
Please enable Javascript!