Loading...

GTS Admiral W.M. Callaghan

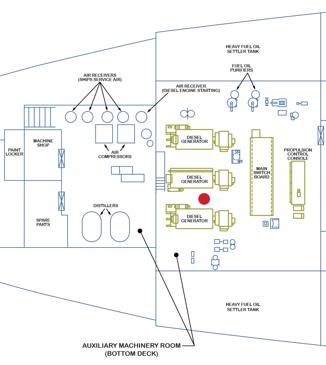
Center section of the auxiliary machinery space. Visible are two of the ship's three generators (Caterpillar diesel engines with AEG generators).

Click for location map.