Loading...
GTS Admiral W.M. Callaghan
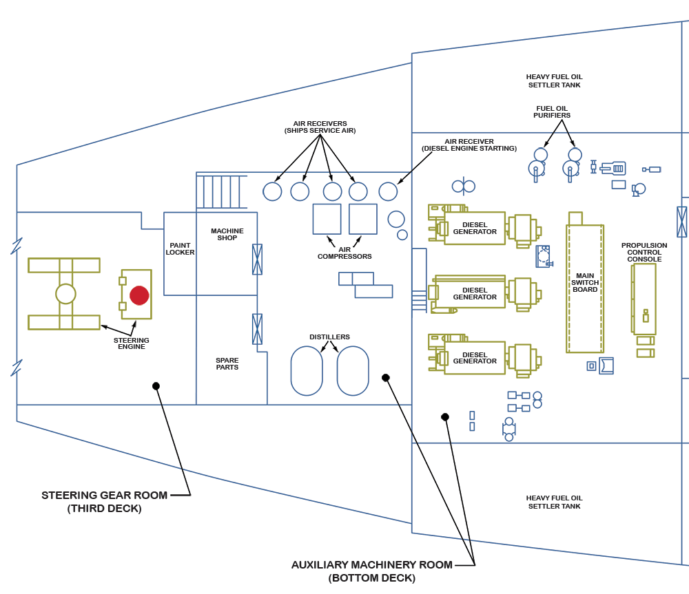
Steering Engine. Initial view looking aft.
Click for deck map.
Click on thumbnail for larger image.
Prev
Index
Next
Please enable Javascript!